USB インタフェース デジタル静電容量式加速度センサ
USB インタフェース デジタル静電容量式加速度センサ
このセンサは、3 軸方向の動的(AC)加速度を検出でき、測定範囲は ±2g〜±40g。最大 4000 サンプル/秒(SPS)の高速データ取得が可能で、分解能は約 4 μg と非常に高精度です。また、環境温度の測定にも対応しています。電源電圧は柔軟で、5〜16 VDC の範囲で動作可能です。
特長
- センサタイプ
- 加速度センサ
- センサ技術
- MEMS静電容量式
- デジタル・インターフェース
- USB
- 感知方向
- 3軸(X・Y・Z)
- 分解能
- 4µg(マイクログラム)
- サンプルレート
- 125、500、1000 サンプル/秒(SPS)
- 周波数範囲(±5%)
- DC~200Hz
- 周波数範囲
- DC~240Hz
- 周波数範囲(3dB)
- DC~250Hz
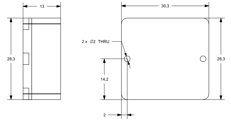
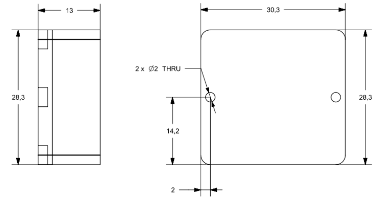
- 筐体素材
- アルミニウム/ステンレススチール
用途
- 一般的な産業用試験・測定
- 状態監視(コンディションモニタリング)
- ロボティクスおよび自動化
- 傾斜検知
- 地震イメージング
技術仕様
| レンジ(g) | ±2 | ±4 | ±8 | ±10 | ±20 | ±40 |
|---|---|---|---|---|---|---|
| スケールファクタ (μg/LSB) | 3,906 | 7,812 | 15,625 | 19,5 | 39 | 78 |
| 感度(温度変化) (%/°C) | ±0.01 | ±0.01 | ±0.01 | ±0.01 | ±0.01 | ±0.01 |
| 0 g オフセット (mg) | ±25 | ±25 | ±25 | ±125 | ±125 | ±125 |
| ノイズ (μg/√Hz) | 25 | 25 | 25 | 75 | 85 | 90 |
| 非直線性 (%) | 0.1 | 0.8 | 1.6 | 0.1 | 0.5 | 1.3 |
| 分解能 (1 LSB, μg) | 4 | 8 | 16 | 20 | 40 | 80 |

